Клавиатура ППКОП-03

Клавиатура ППКОП-03 (-03.1) ЛИПГ.468631.023

Руководство по эксплуатации

Настоящее руководство по эксплуатации является документом, удостоверяющим основные принципы работы и правила эксплуатации следующих клавиатур:

Наименование

Обозначение

Краткая характеристика

ППКОП-03(8)

ЛИПГ.468631.023

Сенсорная клавиатура, индикация 8 шлейфов.

ППКОП-03(16)

ЛИПГ.468631.023-01

Сенсорная клавиатура, индикация 16 шлейфов.

ППКОП-03.1(8)

ЛИПГ.468631.041

Плёночная клавиатура, индикация 8 шлейфов.

ППКОП-03.1(16)

ЛИПГ.468631.041-01

Плёночная клавиатура, индикация 16 шлейфов.

(далее по тексту – клавиатура).

Перед установкой и эксплуатацией клавиатуры необходимо внимательно ознакомиться с настоящим руководством, а также руководством по эксплуатации на прибор, с которым планируется эксплуатировать клавиатуру.

Монтаж клавиатуры должен осуществляться в соответствии с РД.78.145 «Правила производства и приемки работ. Установки охранной, пожарной и охранно-пожарной сигнализации».

Термины и сокращения:

  • АРМ – автоматизированное рабочее место.

  • КОП – Контроллер охранно-пожарный серии Приток-А-КОП.

  • ОС – охранная сигнализация.

  • ПС – пожарная сигнализация.

  • ПЦН – пульт централизованного наблюдения.

  • РИП – резервируемый источник питания.

  • ТС – тревожная сигнализация.

  • ШС – шлейф сигнализации.

  • ХО (хозорган) – административно-хозяйственный персонал охраняемого объекта, имеющий право допуска на объект по коду и/или другим идентификационным признакам и несущий материальную ответственность за охраняемые ценности.

1 ОПИСАНИЕ И РАБОТА КЛАВИАТУРЫ

Клавиатура является дополнительным устройством индикации и управления приборами серии Приток-А-КОП (далее – КОП) с версией ПО не ниже 2.14 и приборами серии ППКОП-011. Клавиатура предназначен для индикации 8 или 16 шлейфов сигнализации (далее – ШС) приборов и управления взятием/снятием в составе системы Приток-А.

Клавиатура подключается к КОП по шине расширения RS-485 (далее – ШР) для работы в режиме ШР или к приборам серии ППКОП-011 через интерфейс Touch Memory (далее – TM) для работы в режиме TM.

Выбор режима работы клавиатуры осуществляется в сервисном меню, см. п 5.1 Выбор режима работы клавиатуры.

Для взятия или снятия в режиме ШР предусмотрен встроенный NFC считыватель, с помощью которого, при использовании бесконтактных брелоков «Приток-NFC», «Приток-NFC+» и «Приток-NFC++» (далее – брелок), можно ставить под охрану и снимать с охраны ШС, брелоки других производителей не поддерживаются. Также в режиме ШР к клавиатуре можно подключить выносной TM-считыватель.

В режиме ШР постановка под охрану и снятие с охраны осуществляется с помощью цифровых кодов, вводимых с клавиатуры, бесконтактных брелоков, защищённых ключей TM DS1961s и ключей без защиты DS1990 (далее – ключ TM).

В режиме TM постановка под охрану и снятие с охраны может осуществляться с помощью цифровых кодов, вводимых с клавиатуры, а также ключей TM. Применение защищённых от копирования ключей TM DS1961s совместно с приборами ППКОП-011 нецелесообразно. Бесконтактные брелоки в режиме TM не поддерживаются.

Внешний вид клавиатур представлен на рисунке 1. На лицевой панели клавиатуры расположены:

  • Двухцветные светодиодные индикаторы состояния шлейфов охранно-пожарной сигнализации (далее - ШС) «1» - «8/16».

  • Двухцветный светодиодный индикатор состояния режима охраны ohrana1.

  • Двухцветный светодиодный индикатор состояния системы пожарного оповещения fire2.

  • Двухцветный светодиодный индикатор состояния электропитания клавиатуры power.

  • Индикаторы номера и состояния активной SIM-карты (SIM1/SIM2).

  • Индикатор уровня сигнала активной SIM-карты sim.

  • Клавиши «0» – «9», «C», «armed» - Взять, «disarmed» - Снять, «*», «#».

  • Двухцветный светодиодный индикатор состояния канала связи с пунктом централизованного наблюдения (далее - ПЦН) link1.

  • Индикаторы Wi-Fi wifi и Bluetooth bt.

  • Индикаторы Ethernet eth и АКБ akb.

  • Считыватель бесконтактных брелоков.

../../_images/018.png

Рисунок 1 – Внешний вид клавиатур

1.1 Основные технические характеристики

Таблица 1 – Технические характеристики клавиатуры

Характеристика

Значение

Напряжение питания

от 10,2 до 14,5 В постоянного тока

Потребляемый ток, не более (мА)

150

Угол обзора светодиодной индикации,
не менее (градусов)

30

Температура окружающей среды

от минус 10 до плюс 50°С

Относительная влажность воздуха

до 85%

Срок службы, не менее (лет)

8

Максимальное количество кодов идентификации ХО,
записываемых в память клавиатуры (в режиме ШР)

64

Габаритные размеры, не более (мм)

195х165х37

Масса, не более (кг)

0,35

2 КЛАВИАТУРА В РЕЖИМЕ РАБОТЫ ШР

Режим ШР – режим работы клавиатуры, предназначенный для работы по шине расширения (далее по тексту – ШР) КОП через интерфейс RS-485 с приборами КОП-01, -02, -02.4, -03, -04, -05. Для эксплуатации клавиатуры в режиме ШР необходимо ознакомиться с документом «Контроллеры охранно-пожарные серии Приток-А-КОП Приток-А-КОП-01 (-02, -02.4, -03, -04, -05) ЛИПГ.423141.022 Руководство по эксплуатации» (доступно для загрузки с сайта www.sokrat.ru). Взятие и снятие в режиме ШР доступно через вводимые с клавиатуры коды, ключи TM и бесконтактные брелоки.

2.1 Режимы работы индикаторов

На передней панели клавиатуры находятся индикаторы ohrana1 («ОХРАНА»), fire2 («ПОЖАР»), power («Питание» / «РАБОТА»), и индикаторы состояния ШС «1»«8/16». В процессе работы клавиатура дублирует светодиодную индикацию состояния прибора. Режимы работы индикаторов приведены в таблицах 2–12.

Порядок действий взятия ШС под охрану или снятия с охраны описан в руководстве по эксплуатации на соответствующий прибор. Успешное выполнение операции отобразится с помощью индикаторов «1» - «8/16» и звукового сигнала.

Таблица 2 – Режимы работы индикаторов состояния шлейфов «1» - «8/16»

Режим индикатора

Состояние ШС

Индикатор выключен

Не охраняется, выключен в конфигурации

Зелёный включен постоянно

ШС взят под охрану

Зелёный включен 0,25 секунды, выключен 0,25 секунды

Выбран для взятия – сопротивление ШС в норме, режим выключается через 1 мин после выбора ШС

Красный включен 0,25 секунды, зелёный включен 0,25 секунды

Выбран для взятия – сопротивление ШС не в норме, режим выключается через 1 мин после выбора ШС

Зелёный включен 0,125 секунды, выключен 0,125 секунды

На ШС выполняется команда «Постановка под охрану после выхода» или «Взять с задержкой на приборе»; сопротивление ШС в норме

Красный включен 0,125 секунды, зелёный включен 0,125 секунды

На ШС выполняется команда «Постановка под охрану после выхода» или «Взять с задержкой на приборе»; сопротивление ШС не в норме

Красный включен 0,5 секунды, выключен 0,5 секунды

На ШС зафиксировано состояние «Тревога» или «Пожар»

Красный включен 2 раза по 0,125 секунды, пауза 0,125 секунды, с периодом следования 4 секунды

Срабатывание дымового датчика

Красный включен 0,125 секунды, выключен 4 секунды

Неисправность пожарного ШС, авария ШС, неисправность ШС охранного (контроль линии), неисправность снятого с охраны ШС в зависимости от настройки «Отображать состояние ШС в снятом состоянии»

Оранжевый включен постоянно

Выбран для снятия, режим выключается через 1 мин после выбора ШС

Таблица 3 – Режимы работы индикаторов состояния разделов «1» – «8/16»

Режим индикатора

Состояние раздела

Индикатор выключен

Не охраняется, раздел выключен в конфигурации

Зеленый включен постоянно

Все ШС раздела взяты под охрану

Зеленый включен 0,125 секунды, выключен 2 секунды

Частично взят (в разделе присутствуют взятые под охрану ШС)

Зеленый включен 0,25 секунды, выключен 0,25 секунды

Выбран для взятия – сопротивление всех ШС раздела, выбранных для взятия, в норме. Режим выключается через 1 мин после выбора раздела

Красный включен 0,25 секунды, зеленый включен 0,25 секунды

Выбран для взятия – сопротивление любого ШС раздела, выбранного для взятия, не в норме. Режим выключается через 1 мин после выбора раздела

Зеленый включен 0,125 секунды, выключен 0,125 секунды

На любом ШС раздела выполняется команда «Постановка под охрану после выхода» или «Взять с задержкой на приборе»; сопротивление всех ШС раздела, на которых выполняется команда, в норме

Красный включен 0,125 секунды, зеленый включен 0,125 секунды

На любом ШС раздела выполняется команда «Постановка под охрану после выхода» или «Взять с задержкой на приборе»; сопротивление любого ШС раздела не в норме

Красный включен 0,5 секунды, выключен 0,5 секунды

На любом ШС раздела зафиксировано состояние «Тревога» или «Пожар»

Красный включен 2 раза по 0,125 секунды, пауза 0,125 секунды, с периодом следования 4 секунды

Срабатывание дымового датчика на любом ПС раздела

Красный включен 0,125 секунды, выключен 4 секунды

Неисправность пожарного ШС, авария ШС, неисправность ШС охранного (контроль линии) раздела, неисправность снятого с охраны ШС в зависимости от настройки «Отображать состояние ШС в снятом состоянии»

Оранжевый включен постоянно

Выбран для снятия, режим выключается через 1 мин после выбора раздела

Таблица 4 – Состояние индикатора ohrana1

Режим индикатора

Режим охраны

Индикатор выключен

Имеются не взятые охранные ШС, неисправные пожарные ШС, неисправные охранные (контроль линии) ШС

Зеленый включен 0,125 секунды, выключен 0,125 секунды

Прибор выполняет команду «Постановка под охрану после выхода», «Взять с задержкой на приборе»

Зеленый включен непрерывно

Все ШС взяты под охрану

Красный включен 1 секунду, выключен 1 секунду

Тревога любого ШС (ОС, ПС, ТС), охранного (круглосуточный), сработки 1 и 2 охранного (контроль линии)

Таблица 5 – Состояние индикатора fire2

Режим индикатора

Состояние пожарных ШС

Индикатор выключен

Нет пожарных ШС

Зеленый включен непрерывно

Сопротивление всех пожарных ШС в норме

Красный включен 0,125 секунды, выключен 4 секунды

Неисправность пожарного ШС (обрыв или КЗ)

Красный включен 3 секунды, выключен 1 секунду

Пожарный шлейф находится в состоянии «ПОЖАР»

Таблица 6 – Состояние индикатора power

Режим индикатора

Состояние клавиатуры

Зеленый включен непрерывно

Норма всех источников питания. Питание от сети переменного тока, исправен РИП (если включен в конфигурации), напряжение на внутренней аккумуляторной батарее больше 13,5 В или включен заряд

Красный включен 0,5 секунды, выключен 0,5 секунды (мигает 1 раз в секунду)

Неисправность любого из источников питания

Оранжевый включен 2 с

Запрет взятия при неисправности основного питания

Режимы работы индикаторов SIM1/SIM2 зависят от того, активна в текущий момент SIM-карта или неактивна (см. таблицы 7 и 8).

Таблица 7 – Режимы работы индикаторов SIM1/SIM2 для активной в текущий момент SIM-карты

Состояние индикатора

Состояние канала связи

Выключен

Канал отключен в конфигурации. В частности, если в приборе установлен «Автономный режим».

Включен 1 раз в секунду красным

Канал активен, отсутствует связь с сервером подключений.

Включен постоянно зелёным

Канал активен, присутствует связь с сервером подключений, и данный канал является рабочим

Индикатор включен зеленымдважды с периодом 4 секунды

1. SIM-карта в «холодном» резерве, уровень сигнала больше 13 2. Канал активен, присутствует связь с сервером подключений, и данный канал является резервным

Таблица 8 – Режимы работы индикаторов SIM1/SIM2 для неактивной в текущий момент SIM-карты

Состояние индикатора

Состояние канала связи

Выключен

1. Канал отключен в конфигурации. В частности, если в приборе установлен «Автономный режим».
2. Нет информации о состоянии канала связи. К примеру, если прибор на данный момент еще ни разу не использовал эту SIM.
3. Прибор переключился с этой SIM на другую (которая в данный момент является активной) штатно: либо по команде, либо по истечении времени работы на резервной SIM.

Включен постоянно красным

Неисправность SIM карты. Прибор переключился с этой SIM на другую по причине неисправности.

Индикатор уровня сигнала активной SIM-карты sim представляет из себя шкалу из трех делений. Одно включенное деление означает уровень GSM сигнала от 11 до 15 относительных единиц, два включенных деления - от 16 до 20, три включенных деления - от 21 до 31. Максимальный уровень сигнала соответствует всем включенным индикаторам, минимальный – всем выключенным.

Таблица 9 – Состояние индикатора link1

Режим индикатора

Состояние клавиатуры

Зеленый включен непрерывно

Установлена двунаправленная связь с ПЦН

Красный включен 0,125 секунды, выключено 0,125 секунды

Нет связи с КОП

Красный включен 0,5 секунды, выключен 0,5 секунды

Нет связи с ПЦН

Оранжевый включен 2 с

Запрет взятия или снятия при отсутствии связи с ПЦН

Таблица 10 – Режимы работы индикатора akb (АКБ)

Состояние индикатора

Состояние АКБ

Зеленый включен непрерывно

АКБ заряжена. Напряжение больше 4,2 В

Зеленый включен 1 секунду, выключен 0,5 секунды

Заряд АКБ

Красный- зеленый-красный включены по 0,5 секунды, пауза 1 секунда

Неисправность АКБ

Зеленый включен 2 раза по 0,125 секунды, с паузой 0,125 секунды, выключен 2 секунды

Разряд АКБ, напряжение на АКБ больше 4,0 В

Зеленый включен 0,125 секунды, выключен 2 секунды

Разряд, напряжение на АКБ меньше 3,8 В

Красный включен 0,125 секунды, выключен 2 секунды

Разряд, напряжение на АКБ меньше 3,6 В

Таблица 11 – Режимы работы индикаторов wifi (Wi-Fi), eth (Ethernet)

Состояние индикатора

Состояние канала связи

Индикатор выключен

Канал отключен в конфигурации. В частности, если в настройках прибора установлен «Автономный режим».

Красный включен 1 раз в секунду

1.Авария канала связи:raw-html:<br/> 2.Канал активен, отсутствует связь с сервером подключений

Индикатор включен зеленым дважды с периодом 4 секунды

Канал активен, присутствует связь с сервером подключений, и данный канал является резервным

Включен постоянно зелёным

Канал активен, присутствует связь с сервером подключений, и данный канал является рабочим

Таблица 12 – Режимы работы индикатора bt (BT-модуль)

Состояние индикатора

Состояние интерфейса

Выключен

BT-модуль отсутствует в конфигурации прибора

Включен 1 раз в секунду красным

BT-модуль отсутствует или неисправен

Включен 1 раз в секунду зелёным

Соединение не установлено

Включен 4 раза в секунду зелёным

Соединение установлено

Включен постоянно зелёным

Идёт обмен данными

2.2 Подготовка к работе

Клавиатура устанавливается внутри охраняемого помещения в месте, защищенном от доступа посторонних лиц, воздействия атмосферных осадков, капель и брызг, механических повреждений, химически активных паров и газов, разрушающих металлы и изоляцию.

Внимание

Запрещается производить установку, монтаж и техническое обслуживание клавиатуры при включенном питании.

Схема подключения клавиатуры к прибору КОП представлена на рисунке 8. Независимо от протяженности цепей питания клавиатуры, сечение проводников необходимо выбрать таким, чтобы напряжение на колодках питания клавиатуры было не менее 10,2 В.

Для использования ключей TM в необходимо подключить к клавиатуре выносной TM-считыватель согласно схеме подключения.

2.2.1 Добавление клавиатуры в конфигурацию КОП

Для использования клавиатуры в режиме ШР необходимо занести её в конфигурацию КОП при помощи приложения Унипрог Приток-А». Программа входит в комплект поставки ПО «ПРИТОК-А-3.8» (актуальная версия программы находится на сайте www.sokrat.ru → Загрузки → Унипрог Приток-А.

Для добавления клавиатуры в конфигурацию КОП необходимо:

  1. Подключить КОП к компьютеру с помощью кабеля miniUSB.

  2. Запустить файл UniProg.exe.

  3. В левом верхнем углу окна программы нажать «Считать из прибора» [1].

  4. В появившемся окне «Подключение» выбрать пункт «Приток-А-КОП (все модификации)».

  5. Нажать «Подключиться» (см. рисунок 2).

../../_images/027.png

Рисунок 2 – Окно «Подключение»

  1. Дождаться завершения считывания параметров КОП программой.

  2. В окне программы перейти во вкладку «Конфигурация».

  3. Выделить пункт «Шина расширения RS-485».

  4. Для добавления клавиатуры в появившемся окне настроек параметров КОП нажать add и выбрать из списка «Добавить элемент «Клавиатура»».

  5. Выделить курсором добавленную «Клавиатуру» и в появившемся окне «Параметры» (см. рисунок 4) заполните следующие поля:

  • поле «Модуль» – выберите значение «Подключен».

  • в поле «МАС адрес» введите трехбайтовый MAC-адрес, напечатанный на шильдике клавиатуры (см. рисунок 3).

  • Поле «Лог. адрес» заполняется программой автоматически.

kbd-ppkop-03/img/03.png

Рисунок 3 – Шильдик

../../_images/045.png

Рисунок 4 – Окно параметров

2.2.2 Описание клавиатуры в АРМ «Конфигуратор»

Для работы клавиатуры с КОП в составе АРМ ПЦН, на пультовом оборудовании должно быть установлено и настроено следующее программное обеспечение:

  • ПО Приток-А версии 3.8.

  • ПО «Сервер подключений».

Для описания клавиатуры в АРМ «Конфигуратор» на ПЦН необходимо в «Группу приборов - 100» добавить устройство «Приток-А-КОП» (4ШС, 8ШС или 16ШС) согласно руководству по эксплуатации на соответствующий КОП (см. рисунок 5).

Примечание

Конфигурирование клавиатуры с КОП возможно только в «Группе приборов – 100». Если такой группы в списке нет, ее необходимо добавить.

../../_images/055.png

Рисунок 5

Выделите курсором добавленный в «Группу приборов – 100» контроллер, нажмите «Добавить», в появившемся окне «Выбор устройства для добавления» (см. рисунок 6) выберите «Модуль подключения клавиатур». Нажмите «ОК». В появившемся окне «Редактирование параметров» настройки остаются без изменений, поэтому здесь также нажмите «ОК».

../../_images/065.png

Рисунок 6

2.2.3 Установка клавиатуры

Подключение клавиатуры к прибору КОП осуществляется согласно соответствующей схеме подключения (см. рисунок 8) и в следующем порядке:

  1. Вскрыть корпус.

  2. Открутить или вытащить из пазов с одной из сторон пару шарниров, удерживающих плату клавиатуры.

  3. Согласно схемы подключить кабель ШР к колодкам «A» и «B» клавиатуры и прибора КОП.

  4. Подключить кабель питания к колодкам «-12V+» клавиатуры.

  5. Подать питание на клавиатуру, дождаться её загрузки и подключения к прибору.

  6. Установив клавиатуру в исходное положение и закрыть корпус.

2.3 Техническое меню

В приборах серии Приток-А-КОП реализовано «Техническое меню », которое позволяет получать информацию об уровне GSM-сигнала, состоянии каналов связи, состоянии источников питания, управлять разделами и т. д. Техническое меню клавиатуры дублирует часть технического меню прибора КОП.

Перечень пунктов технического меню клавиатуры приведён в таблице 13.

Таблица 13 – Перечень пунктов технического меню

Вход

Назначение

*→1

Индикация уровня GSM-сигнала

*→2

Индикация состояния каналов связи

*→4

Индикация состояния источников питания прибора

*→6

Работа с брелоками.

*→7

Автоматизированная проверка ТС

*→8

Подача извещения с клавиатуры прибора

*→9

Управление выходами с режимом работы «Управление с клавиатуры и с АРМ»

*→0

Управление разделами

**→4

Меню пользовательских настроек:
→ 0 - Настройка таймера блокировки клавиатуры
→ 1 - Режим блокировки
→ 2 - Громкость встроенного звукового оповещателя
→ 3 - Яркость индикации

Внимание

Если в приборе установлен ПИН-код блокировки клавиатуры, то для работы со всеми пунктами технического меню необходимо разблокировать клавиатуру.

2.3.1 Индикация уровня GSM-сигнала

Вход в режим — нажать клавишу «*», затем «1».

На индикаторах снизу-вверх по часовой стрелке отображается уровень принимаемого GSM-сигнала активной SIM-карты (зелёным цветом – для SIM-карты 1, красным – для SIM-карты 2).

Каждый включенный постоянно индикатор означает 4 единицы, мигающий – 2 единицы уровня GSM-сигнала. Максимальный уровень сигнала соответствует 8 включенным индикаторам, минимальный всем выключенным.

Все мигающие индикаторы обозначают, что прибор не подключен к GSM-сети.

Выход из технического меню в основной режим по клавише «C» или по истечении 4 минут.

2.3.2 Индикация состояния каналов связи

Вход в режим — нажать клавишу «*», затем «2», при этом индикаторы:

  • «1» показывает состояние Ethernet или Wi-Fi-канала связи.

  • «2» показывает состояние канала связи по SIM-карте 1.

  • «3» показывает состояние канала связи по SIM-карте 2.

Режимы работы индикаторов «1» - «3» приведены в таблице 14.

Выход из технического меню в основной режим — по клавише «C» или по истечении 4 минут.

Таблица 14 – Режим индикации состояния каналов связи

Состояние индикатора

Состояние канала связи

Выключен

Канал не активен или выключен в конфигурации

Включен 1 раз в секунду красным

Канал активен, отсутствует связь с сервером подключений

Включен 1 раз в секунду зелёным

Канал активен, установка связи с сервером подключений

Включен 4 раза в секунду зелёным

Канал активен, присутствует связь с сервером подключений, и данный канал является резервным

Включен постоянно зелёным

Канал активен, присутствует связь с сервером подключений, и данный канал является текущим

Включен постоянно красным

Канал не активен и на нём обнаружена неисправность

Индикатор «2» или «3» включен 1 раз в 4 секунды зелёным

SIM-карта в «холодном» резерве

2.3.3 Индикация состояния источников питания прибора

Вход в режим — нажать клавишу «*», затем «4», при этом индикаторы:

  • «1» показывает состояние питания 220 В.

  • «2» показывает состояние внутренней аккумуляторной батареи (АКБ).

  • «3» показывает состояние питания РИП (если включен в конфигурации прибора). Режимы работы индикаторов «1» - «3» приведены в таблице 15.

Выход из технического меню в основной режим — по клавише «C» или по истечении 4 минут.

Таблица 15 – Режим индикации состояния источников питания приборов Приток-А-КОП

Режим индикатора

Состояние внешней сети переменного тока, РИП и внутренней аккумуляторной батареи

Индикатор «1». Состояние питания 220 В

Зелёный включен непрерывно

Питание есть (находится в диапазоне 11 - 13,8 В)

Красный включен 0,5 секунды, выключен 0,5 с

Питание отсутствует (менее 11 В или более 13,8 В)

Индикатор «2». Состояние внутренней аккумуляторной батареи (АКБ)

Зелёный включен непрерывно

АКБ заряжена. Напряжение больше 13,5 В

Зелёный включен 1 с, выключен 0,5 с

Заряд АКБ

Красный -Зелёный-красный включены по 0,5 с, пауза 1 с

Неисправность АКБ

Зелёный включен 2 раза по 0,125 с, с паузой 0,125 с, выключен 2 с

Разряд АКБ, напряжение на АКБ больше 12,5 В

Зелёный включен 0,125 с, выключен 2 с

Разряд, напряжение на АКБ меньше 12,5 В

Красный включен 0,125 с, выключен 2 с

Разряд, напряжение на АКБ меньше 11,5 В

Индикатор «3». Состояние питания РИП

Зелёный включен непрерывно

Питание есть (находится в диапазоне 11 - 13,8 В)

Красный включен 0,5 с, выключен 0,5 с

Питание отсутствует (менее 11 В или более 13,8 В)

Выключен

Отключен в конфигурации

2.3.4 Работа с брелоками

2.3.4.1 Привязка брелоков

Привязка брелоков необходима только в случае эксплуатации прибора КОП в режиме защиты «3» (см. Приложение Ж документа «Контроллеры охранно-пожарные серии Приток-А-КОП Приток-А-КОП-01 (-02, -02.4, -03, -04, -05) ЛИПГ.423141.022 Руководство по эксплуатации»). Для привязки бесконтактных брелоков к клавиатуре необходимо выполнить следующее:

  1. Если установлен ПИН-код блокировки клавиатуры, то разблокировать клавиатуру (см. п. 2.4 Работа с ПИН-кодом).

  2. Войти в техническое меню работы с брелоками нажатием «*» затем «6».

  3. Нажать «*», клавиатура переключится в режим редактирования ячеек памяти с информацией о привязанных брелоках.

В режиме редактирования ячеек памяти на индикаторах отображается:

  • «1», «2», «3», «4» - отображается номер выбранной для редактирования ячейки памяти в соответствии с таблицей 16.

  • Индикаторы «ohrana2», «fire2», «power», «(SIM1/SIM2)» отображается статус выбранной для редактирования ячейки памяти:

    • «красный» - ячейка пуста;

    • «зелёный» - ячейка заполнена.

  1. Кнопками «armed» («Взять») и «disarmed» («Снять») выбрать необходимую для изменения ячейку.

  2. При необходимости изменения или стирания информации о брелоке, записанной в выбранной ячейке, нажать «*».

  3. Для изменения информации в выбранной ячейке необходимо ввести информацию о новом брелоке приложив его к считывателю.

Примечание

– При успешном сохранении информации о брелоке в ячейке памяти клавиатуры включится двойной звуковой сигнал встроенного звукового оповещателя. Клавиатура останется в режиме редактирования выбранной ячейки.

– При ошибках считывания брелока включится длинный звуковой сигнал встроенного звукового оповещателя.

  1. Для перехода к редактированию следующей ячейки нажать кнопку «armed» («Взять»), к предыдущей ячейке – кнопку «disarmed» («Снять»). После редактирования необходимых ячеек выйти из меню нажатием кнопки «C».

Таблица 16 – Индикация номера ячейки

Номер ячейки

«1»

«2»

«3»

«4»

Номер ячейки

«1»

«2»

«3»

«4»

01

Н

Н

Н

З

33

З

Н

К

Н

02

Н

Н

Н

К

34

З

Н

К

З

03

Н

Н

З

Н

35

З

Н

К

К

04

Н

Н

З

З

36

З

З

Н

Н

05

Н

Н

З

К

37

З

З

Н

З

06

Н

Н

К

Н

38

З

З

Н

К

07

Н

Н

К

З

39

З

З

З

Н

08

Н

Н

К

К

40

З

З

З

З

09

Н

З

Н

Н

41

З

З

З

К

10

Н

З

Н

З

42

З

З

К

Н

11

Н

З

Н

К

43

З

З

К

З

12

Н

З

З

Н

44

З

З

К

К

13

Н

З

З

З

45

З

К

Н

Н

14

Н

З

З

К

46

З

К

Н

З

15

Н

З

К

Н

47

З

К

Н

К

16

Н

З

К

З

48

З

К

З

Н

17

Н

З

К

К

49

З

К

З

З

18

Н

К

Н

Н

50

З

К

З

К

19

Н

К

Н

З

51

З

К

К

Н

20

Н

К

Н

К

52

З

К

К

З

21

Н

К

З

Н

53

З

К

К

К

22

Н

К

З

З

54

К

Н

Н

Н

23

Н

К

З

К

55

К

Н

Н

З

24

Н

К

К

Н

56

К

Н

Н

К

25

Н

К

К

З

57

К

Н

З

Н

26

Н

К

К

К

58

К

Н

З

З

27

З

Н

Н

Н

59

К

Н

З

К

28

З

Н

Н

З

60

К

Н

К

Н

29

З

Н

Н

К

61

К

Н

К

З

30

З

Н

З

Н

62

К

Н

К

К

31

З

Н

З

З

63

К

З

Н

Н

32

З

Н

З

К

64

К

З

Н

З

2.3.4.2 Очистка таблицы

Для очистки всей таблицы привязанных брелоков выполнить следующее:

  1. Если установлен ПИН-код блокировки клавиатуры, то разблокировать клавиатуру (см. п. 2.4 Работа с ПИН-кодом).

  2. Войти в техническое меню работы с брелоками, нажатием «*» затем «6» на клавиатуре, при этом загорятся индикаторы SIM2, SIM1 и power.

  3. Нажать на клавиатуре кнопки «#» затем «*», при этом произойдёт очистка таблицы, и клавиатура переключится в техническое меню работы с брелоками.

  4. Для выхода из технического меню нажать кнопку «C» на клавиатуре.

2.3.4.3 Очистка брелоков

Для очистки внутренней памяти брелоков от информации о ранее привязанных устройствах (например, для привязки к новой клавиатуре или прибору) выполнить следующее:

  1. Если установлен ПИН-код блокировки клавиатуры, то разблокировать клавиатуру (см. п. 2.4 Работа с ПИН-кодом).

  2. Войти в техническое меню работы с брелоками, нажатием «*» затем «6» на клавиатуре, при этом загорятся индикаторы SIM2, SIM1 и power.

  3. Нажать на клавиатуре кнопку «#», при этом она переключится в режим очистки брелоков, а все индикаторы включатся оранжевым.

  4. Последовательно приложить брелоки, которые необходимо очистить. При успешной очистке брелока включается двойной звуковой сигнал.

Примечание

клавиатура находится в режиме очистки 4 минуты или до нажатия клавиши «C» на клавиатуре.

  1. Для выхода из технического меню нажать кнопку «C» на клавиатуре.

Внимание

При очистке брелоков удаляется информация обо всех ранее привязанных приборах.

2.3.5 Автоматизированная проверка ТС

Автоматизированная проверка ТС предоставляет возможность осуществлять проверку исправности системы ТС в автоматизированном режиме, без звонка на ПЦН.

Примечание

Вход в режим возможен при наличии в конфигурации прибора хотя бы одногоШС типа ТС.

Порядок автоматизированной проверки ТС:

  1. Для проверки ТС выбранного раздела необходимо с помощью технического меню войти в нужный раздел (см. п. 2.4.1.8 документа «Контроллеры охранно-пожарные серии Приток-А-КОП Приток-А-КОП-01 (-02, -02.4, -03, -04, -05) ЛИПГ.423141.022 Руководство по эксплуатации»).

  2. Войти в режим автоматизированной проверки, нажав «*», затем «7».

  3. Все индикаторы включатся красным постоянно.

  4. В течение 240 секунд ввести код идентификации ХО одним из следующих способов:

а. Ввод цифрового кода идентификации ХО с помощью кнопок «0» - «9»:

  • Набрать с помощью клавиш «0» - «9» от 4 до 12 цифр кода идентификации ХО.

  • Нажать кнопку «*».

б. Ввод кода идентификации ХО с помощью бесконтактного брелока:

  • Приложить брелок к бесконтактному считывателю прибора.

в. Ввод кода идентификации ХО с помощью ключа TM:

  • Приложить ключ TM к выносному считывателю.

г. Комбинированный ввод кода идентификации ХО с помощью кнопок «0» - «9» и бесконтактного брелока или ключа TM:

  • Набрать с помощью клавиш «0» - «9» от 4 до 12 цифр кода идентификации ХО.

  • Приложить брелок к бесконтактному считывателю прибора или ключ TM к выносному считывателю после набора кода.

  1. Ввод кода идентификации ХО и отправка его на АРМ ПЦН подтверждаются двойным звуковым сигналом внутреннего звукового оповещателя. После отправки кода идентификации ХО на АРМ ПЦН все индикаторы включатся в режиме «красный включен 0,25 сек, выключен 0,25 сек».

Если разрешение на проверку ТС от АРМ ПЦН получено, то включается двойной звуковой сигнал внутреннего звукового оповещателя.

Если разрешение на проверку ТС от АРМ ПЦН не получено, то включается длинный звуковой сигнал внутреннего звукового оповещателя, и прибор выходит из режима проверки шлейфов ТС в основной режим работы.

  1. После получения подтверждения прав на проверку ТС от АРМ ПЦН индикатор power («Питание») включится оранжевым.

Примечание

На индикаторах отображаются этапы проверки (см. таблицу 17).

Таблица 17 – Соответствие этапов проверки индикаторам приборов разных версий

Номер этапа

КОП-01

КОП-02

КОП-04, КОП-05

КОП-02.4

Этап 1

ПИТАНИЕ

power («РАБОТА»)

fire2

ohrana1

Этап 2

СВЯЗЬ

ohrana1 («ОХРАНА»)

power

link1

Этап 3

ПОЖАР

fire1 («ПОЖАР»)

SIM1

eth

Этап 4

ОХРАНА

link1 («СВЯЗЬ»)

SIM2

wifi

  1. На индикаторах «1» - «8» («1» - «16») отображается реальное состояние ШС (см. таблицы 2, 3) в следующих вариантах:

  • разделы отключены - показываются ШС прибора;

  • разделы включены и выбран конкретный раздел - показываются ШС конкретного раздела;

  • разделы включены, но раздел не выбран - показываются разделы.

  1. Убедиться, что все отображаемые шлейфы ТС находятся в состоянии «Взят».

  2. В течение 240 секунд хотя бы один из шлейфов ТС должен пройти всю процедуру проверки, завершающуюся получением подтверждения от АРМ ПЦН. Каждое получение подтверждения продлевает режим проверки до 240 секунд.

Последовательность действий при проверке шлейфа ТС:

  • Нарушить проверяемый шлейф/шлейфы ТС, при этом соответствующие индикаторы ШС «1» - «8» («1» - «16») переключатся в состояние «Тревога».

  • Индикатор Этапа 2 включится оранжевым (этап 2).

  • Восстановить проверяемый шлейф/шлейфы ТС.

  • Нажать клавишу «armed» («Взять») либо дождаться автоматического перевзятия шлейфов.

После успешного перевзятия всех проверяемых шлейфов ТС индикаторы ШС «1» - «8» («1» - «16») переключатся в состояние «Взят».

Индикатор Этапа 3 включится оранжевым (этап 3).

Дождаться получения подтверждения проверки ТС от АРМ ПЦН. При получении очередного подтверждения по одному из проверяемых шлейфов ТС включается двойной звуковой сигнал внутреннего звукового оповещателя.

При получении подтверждения по всем проверяемым шлейфам ТС индикатор Этапа 4 включится оранжевым (этап 4).

  1. Для проверки других шлейфов ТС надо до окончания времени проверки ТС и возврата в основной режим выполнить действия из п.9.

  2. После окончания времени проверки ТС и возврата в основной режим нарушение ТС с целью проверки не допускается.

Выход из режима проверки ТС в рабочий режим - по истечении времени на проверку ТС или по нажатию «C».

2.3.6 Подача извещения с клавиатуры прибора

Вход в режим — нажать клавишу «*», затем «8».

Все индикаторы на передней панели прибора включатся оранжевым.

В зависимости от наличия разрешения на формирование тревожных извещений в конфигурации прибора доступны следующие типы извещений:

  • клавиша «0» – тестовое извещение;

  • клавиша «1» – тревожное извещение «Пожарная тревога»;

  • клавиша «2» – тревожное извещение «Тревожная кнопка»;

  • клавиша «3» – тревожное извещение «Медицинская тревога»;

  • клавиша «4» – тревожное извещение «Тревога - Газ»;

  • клавиша «5» – тревожное извещение «Протечка воды»;

  • клавиша «6» – технологическое извещение «Вызов техника».

Для подачи извещения необходимо нажать клавишу, соответствующую его типу.

Примечание

Возможность отправки тревожных извещений должна быть согласована с ПЦН.

Если передача извещения невозможна (отсутствует разрешение на формирование тревожного извещения в конфигурации прибора, отсутствует связь с ПЦН, очередь исходящих сообщений переполнена), при нажатии клавиши раздастся длинный звуковой сигнал, сопровождающий выход из технического меню.

В ином случае соответствующее извещение однократно будет передано на ПЦН. Произойдёт выход из технического меню. При получении прибором подтверждения от ПЦН прозвучит двойной короткий звуковой сигнал.

После выбора типа извещения прибор выйдет из технологического меню и вернётся в основной режим. Также выход из технического меню в основной режим по клавише «C» или по истечении 4 минут

Сформировав извещение, прибор не хранит информацию об этом. Соответственно, оно никак не отражается на индикации прибора.

2.3.7 Управление выходами с режимом работы «Управление с клавиатуры и с АРМ»

Внимание

Данный режим применим только к внутренним выходам прибора.

Вход в режим – нажать клавишу «*», затем «9».

Примечание

В случае если в конфигурации прибора отсутствуют выходы с режимом работы «Управление с клавиатуры и с АРМ», при попытке входа включится длинный звуковой сигнал, и приборвернётся в стартовый режим технического меню.

На индикаторах «1» - «5» («1» - «2», «1» - «4») [2] отображается текущее состояние выходов с режимом работы «Управление с клавиатуры и с АРМ».

Индикатор, включенный зелёным, показывает, что соответствующий выход выключен.

Индикатор, включенный красным, показывает, что соответствующий выход включен.

При нажатии клавиши на клавиатуре прибора с номером выхода («1» - «4») соответствующий выход переключается на противоположное состояние: если был включен - выключается, и наоборот.

Примечание

  1. Выходы с режимом работы «Управление с клавиатуры и с АРМ» могут включаться и выключаться как с клавиатуры прибора, так и командами с АРМ ПЦН.

  2. При включении или выключении выходов с клавиатуры прибора, состояния выходов передаются на АРМ ПЦН.

  3. Состояние силовых выходов типа «Управление с клавиатуры и с АРМ» хранится в энергонезависимой памяти прибора и при включении питания прибора состояние силового выхода восстанавливается.

Выход из технического меню в основной режим — по клавише «C» или по истечении 4 минут.

2.3.8 Управление разделами

Для входа в режим необходимо нажать клавишу «*», затем «0», при этом все индикаторы на передней панели клавиатуры начнут мигать зеленым. Ввести номер нужного раздела цифрами.

При попытке входа в несуществующий или пустой раздел длительно включится встроенный звуковой оповещатель.

На индикаторах «1» - «8» («1» - «16»), fire2 («Пожар») и ohrana1 («Охрана») в течении 40 секунд отображается текущее состояние ШС выбранного раздела (см. таблицу 3). Индикаторы fire2 («Пожар») и ohrana1 («Охрана») отображают состояние ШС только выбранного раздела.

Из меню управления разделами можно осуществлять полное или частичное взятие/снятие ШС выбранного раздела, а также видеть состояние ШС раздела.

Выход из режима управления разделами в основной режим — по клавише «C» или по истечении 40 секунд.

2.3.9 Меню пользовательских настроек

2.3.9.1 Настройка параметра «Таймер установления режима блокировки клавиатуры»

Настройка данного параметра производится из подменю настройки пользовательских функций прибора. Вход в подменю настройки пользовательских функций прибора — дважды нажать клавишу «*», затем «4». При этом индикаторы ШС мигают красным, остальные индикаторы мигают зелёным. Для перехода к настройке параметра «Таймер отключения световой индикации» нажать дополнительно клавишу «0». При этом на индикаторах «1» - «4» показывается текущее значение указанной настройки, равное количеству горящих индикаторов, помноженное на 10 секунд (например, 1 горящий индикатор означает 10 секунд, 2 горящих индикатора - 20 секунд и т.д.). Кнопками «1» - «4» (задать в явном виде текущее значение) можно задать новое значение настройки. В случае если оно отличается от текущего значения настройки, новое значение показывается индикаторах «1» - «4» оранжевым цветом. Подтвердить вновь установленное значение можно, нажав «*». При этом раздастся двойной звуковой сигнал, и произойдёт возврат в подменю настройки пользовательских функций прибора.

Выход из подменю в основной режим — по клавише «C».

2.3.9.2 Настройка параметра «Режим блокировки клавиатуры»

Внимание

По умолчанию установлен режим блокировки «2».

Настройка данного параметра производится из подменю настройки пользовательских функ-ций прибора. Вход в подменю настройки пользовательских функций прибора — дважды нажать клавишу «*», затем «4». При этом индикаторы ШС мигают красным, остальные индикаторы мигают зелёным. Для перехода к настройке параметра «Режим блокировки клавиатуры» нажать дополнительно клавишу «1». При этом на индикаторах «1» - «4» показывается текущее значение указанной настройки, равное количеству горящих индикаторов. Кнопками «1» - «4» (задать в явном виде текущее значение) можно задать новое значение настройки. В случае если оно отличается от текущего значения настройки, новое значение показывается индикаторах «1» - «4» оранжевым цветом. Подтвердить вновь установленное значение можно, нажав «*». При этом раздастся двойной звуковой сигнал, и произойдёт возврат в подменю настройки пользовательских функций прибора.

Настройка «Режим блокировки» может принимать следующие значения:

  • «1» - блокировка не производится;

  • «2» - блокируются нажатия кнопок (значение по умолчанию);

  • «3» - блокируются нажатия кнопок, световая индикация отсутствует;

  • «4» - блокируются нажатия кнопок, световая индикация отсутствует, игнорируются приложенные брелоки.

Автоматическое установление режима блокировки производится через запрограммированное время при условии, если:

  • Параметр «Режим блокировки» установлен в значение, отличное от «1»;

  • На всем диапазоне ШС прибора отсутствуют тревоги охранного шлейфа.

Автоматический выход из режима блокировки происходит в случае, если на всем диапазоне ШС прибора присутствует хотя бы одна тревога.

Ручной выход из режима блокировки производится нажатием кнопки «C».

2.3.9.3 Настройка параметра «Громкость звуковой индикации клавиатуры»

Настройка данного параметра производится из подменю настройки пользовательских функций прибора.

Вход в подменю настройки пользовательских функций прибора — дважды нажать клавишу «*», затем «4». При этом индикаторы ШС мигают красным, остальные индикаторы мигают зелёным.

Для перехода к настройке параметра «Громкость звуковой индикации клавиатуры» нажать дополнительно клавишу «2». При этом на индикаторах «1» - «4» зелёным цветом показывается текущее значение указанной настройки, равное количеству горящих зелёным индикаторов.

Примечание

Если при выборе параметра не происходит переход к его редактированию, а вместо этого раздаётся длинный звуковой сигнал, это свидетельствует о несоответствии версии ПО клавиатуры.

Кнопками «1» - «4» (задать в явном виде текущее значение) можно задать новое значение настройки. В случае если оно отличается от текущего значения настройки, новое значение показывается индикаторах «1» - «4» оранжевым цветом. Подтвердить вновь установленное значение можно, нажав «*». При этом раздастся двойной звуковой сигнал, и произойдёт возврат в подменю настройки пользовательских функций прибора.

Выход из подменю в основной режим – по клавише «C».

2.3.9.4 Настройка параметра «Яркость световой индикации клавиатуры»

Настройка данного параметра производится из подменю настройки пользовательских функций прибора.

Вход в подменю настройки пользовательских функций прибора — дважды нажать клавишу «*», затем «4». При этом индикаторы ШС мигают красным, остальные индикаторы мигают зелёным.

Для перехода к настройке параметра «Яркость световой индикации клавиатуры» нажать до-полнительно клавишу «3». При этом на индикаторах «1» — «4» зелёным цветом показывается текущее значение указанной настройки, равное количеству горящих зелёным индикаторов.

Кнопками «1» - «4» (задать в явном виде текущее значение) можно задать новое значение настройки. В случае если оно отличается от текущего значения настройки, новое значение показывается индикаторах «1» - «4» оранжевым цветом. Подтвердить вновь установленное значение можно, нажав «*». При этом раздастся двойной звуковой сигнал, и произойдёт возврат в подменю настройки пользовательских функций прибора.

Выход из подменю в основной режим – по клавише «C».

2.4 Работа с ПИН-кодом

Клавиатура поддерживает возможность установки блокировочного ПИН-кода, без ввода которого невозможны постановка и снятие с охраны ШС с помощью бесконтактного брелока, ключа TM или ввода кода идентификации с помощью клавиатуры. ПИН-код известен только лицу, установившему его, и не передаётся на ПЦН.

Для разблокировки клавиатуры при наличии установленного ПИН-кода (на это указывает ситуация, когда при нажатии на любую клавишу, кроме «#», звучит длинный звуковой сигнал) необходимо нажать «C», нажать «#», затем ввести ПИН-код и нажать «#».

Для установки/удаления ПИН-кода выполните следующие действия:

  • Вскройте корпус клавиатуры.

  • Нажмите «C».

  • Удерживайте «#» в течение 5 секунд (на светодиодах «1» - «8» оранжевым цветом будет отображаться индикация выполнения процесса предоставления доступа к установке/удалению ПИН-кода).

  • Закройте корпус клавиатуры.

  • Для удаления ПИН-кода нажмите «#» либо введите новый ПИН-код (максимум 12 цифр) и нажмите «#».

  • Успешное завершение операции установки/удаления ПИН-кода будет подтверждено двойным звуковым сигналом.

Примечание

При установке ПИН-кода на светодиодах «1» - «8/16» отображается «бегущий огонь» красного цвета, курсирующий вправо-влево.

Примечание

Для установки ПИН-кода необходимо пройти процедуру регистрации клавиатуры в КОП.

Для сброса утерянного ПИН-кода вскрыть корпус клавиатуры, ввести клавиатуру в сервисный режим путем замыкания TM-считывателя на 0,5 сек при включении питания, пропустить тесты индикации, кнопок и TM-считывателя (нажать «C» 3 раза), убедиться, что выбран режим «5» (светится индикатор «5»), последовательно нажать «*»-«1» и удерживать «#» 5 сек (на светодиодах «1» - «8» будет отображаться индикатор выполнения процесса предоставления доступа к сбросу параметров режима шины расширения КОП); для возврата в пункт выбора режима работы клавиатуры, нажать «*». Выйти из сервисного режима - нажать «C».

Внимание

При сбросе ПИН-кода из сервисного меню все параметры клавиатуры сбрасываются на заводские и, для возобновления работы клавиатуры, необходим вызов техника ПЦН для проведения процедуры регистрации клавиатуры в приборе.

2.5 Обновление версии ПО клавиатуры по каналу связи с АРМ ПЦН

Обновление версии ПО клавиатуры по каналу связи с АРМ ПЦН возможно только в режиме подключения по шине расширения.

Для обновления версии ПО клавиатуры необходимо:

  1. В программе АРМ «ДПЦО» во вкладке «Обновление ПО» окна «Настройка прибора» (см. рисунок 7) нажать кнопку «Выбрать из файла» (на рисунке – область 1) и указать расположение новой версии ПО клавиатуры.

  2. Нажать кнопку «Загрузить ПО в прибор» (на рисунке – область 2). В блоке «Команды и сообщения» в процессе загрузки будут последовательно отображаться сообщения (на рисунке – область 4):

  • «Передача файла начата».

  • «Передача файла закончена».

  • «Устройство начинает проверку ПО».

  • «Устройство завершило проверку ПО».

  1. После завершения проверки ПО нажать кнопку «Начать обновление модуля» (на рисунке – область 3) и из выпадающего списка выбрать целевое устройство – Модуль клавиатуры. Обновление ПО будет сопровождаться следующими сообщениями (на рисунке – область 5):

  • «Обновить ПО модуля».

  • «Запуск обновления ПО».

  • «Перезагрузка…».

  • «Включение питания».

../../_images/074.png

Рисунок 7 – окно «Настройка прибора»

3 КЛАВИАТУРА В РЕЖИМЕ РАБОТЫ TM

Режим ТМ – режим работы клавиатуры, предназначенный для работы по шине 1-wire (Touch Memory) с приборами серии ППКОП-011: ППКОП-011-8-1-01К(8), ППКОП-011-8-1-01К(16), -02К, -041К(8), -061К(8), -061К(16), -064К, -011-1К, -011М. Взятие и снятие в режиме TM доступно через вводимые с клавиатуры коды и ключи TM.

Выбор режима работы клавиатуры осуществляется в сервисном меню, см. п 5.1 Выбор режима работы клавиатуры.

3.1 Режимы работы индикаторов

На передней панели клавиатуры находятся индикаторы ohrana2 («ОХРАНА»), fire2 («ПОЖАР»), power («Питание» / «РАБОТА»), и индикаторы состояния ШС «1»«8/16». В процессе работы клавиатура дублирует светодиодную индикацию состояния прибора. Режимы работы индикаторов в режиме TM приведены в таблицах 18–22.

Порядок действий взятия ШС под охрану или снятия с охраны описан в руководстве по эксплуатации на соответствующий прибор. Успешное выполнение операции отобразится с помощью индикаторов «1» - «8/16» и звукового сигнала.

Таблица 18 – Режимы работы индикаторов состояния шлейфов «1» - «8/16»

Режим работы

Состояние шлейфа сигнализации

Индикатор выключен

Шлейф не охраняется

Зеленый включен 0,25 секунды, выключен 0,25 секунды

Шлейф выбран для взятия, сопротивление шлейфа в норме

Зеленый включен 0,25 секунды, красный включен 0,25 секунды

Шлейф выбран для взятия, сопротивление шлейфа не в норме

Зеленый включен 0,125 секунды, выключен 0,125 секунды

Шлейф берется после выхода, сопротивление шлейфа в норме

Зеленый включен 0,125 секунды, красный включен 0,125 секунды

Шлейф берется после выхода, сопротивление шлейфа не в норме

Зеленый включен непрерывно

Шлейф охраняется

Красный включен 0,5 секунды, выключен 0,5 секунды

Шлейф находится в состоянии «ТРЕВОГА» или «ПОЖАР»

Красный включен 0,2 секунды, выключен 3,8 секунды

Шлейф в состоянии «Дым»

Красный включен 0,2 секунды, выключен 0,2 секунды, включен 0,2 секунды, выключен 3,8 секунды

Неисправность пожарного шлейфа

Оранжевый включен непрерывно

Шлейф выбран для снятия с охраны

Таблица 19 – Состояние индикатора ohrana2

Режим работы

Режим охраны

Индикатор выключен

Объект не охраняется

Зеленый включен непрерывно

Охранные шлейфы взяты под охрану

Зеленый включен 0,125 секунды, красный включен 0,125 секунды

Прибор находится в состоянии взятия охранных шлейфов под охрану

Красный включен 0,5 секунды, выключен 0,5 секунды

Охранный шлейф находится в состоянии «ТРЕВОГА»

Таблица 20 – Состояние индикатора fire2

Режим работы

Состояние пожарных шлейфов

Индикатор выключен

Пожарная сигнализация отключена

Зеленый включен непрерывно

Сопротивление всех пожарных шлейфов в норме

Красный включен 0,2 секунды, выключен 3,8 секунды

Неисправность пожарного шлейфа

Красный включен 3 секунды, выключен 1 секунду

Пожарный шлейф находится в состоянии «ПОЖАР»

Таблица 21 – Состояние индикатора power

Режим работы

Состояние электропитания прибора

Зеленый включен непрерывно

Сетевое питание прибора в норме, напряжение аккумулятора в норме

Зеленый включен 1 секунду, выключен 0,5 секунды

Сетевое питание прибора в норме, аккумулятор разряжен (идет зарядка аккумулятора)

Зеленый включен 0,2 секунды, выключен 0,2 секунды, включен 0,2 секунды, выключен 3,8 секунды

Сетевое питание отсутствует, напряжение аккумулятора больше 12,5В

Зеленый включен 0,2 секунды, выключен 3,8 секунды

Питание от сети переменного тока отсутствует, напряжение на внутренней аккумуляторной батарее меньше 12,5В

Красный включен 0,2 секунды, выключен 3,8 секунды

Сетевое питание отсутствует, напряжение аккумулятора меньше 10,5В

Красный включен 0,5 секунды, зеленый включен 0,5 секунды, красный включен 0,5 секунды, выключен 0,5 секунды

Неисправность аккумулятора

Зеленый включен 0,5секунды, красный включен 0,5 секунды, выключен 1 секунду

Сетевое питание не соответствует допустимому диапазону

Таблица 22 – Состояние индикатора link1

Режим работы

Состояние линии связи

Зеленый включен непрерывно

Норма линии связи прибора с АРМ ПЦН

Красный включен 0,5 секунды, выключен 0,5 секунды

Авария линии связи прибора с АРМ ПЦН

Красный мигает 4 раза в секунду

Нет связи с прибором

3.2 Подготовка к работе

Клавиатура устанавливается внутри охраняемого помещения в месте, защищенном от доступа посторонних лиц, воздействия атмосферных осадков, капель и брызг, механических повреждений, химически активных паров и газов, разрушающих металлы и изоляцию.

Внимание

Запрещается производить установку, монтаж и техническое обслуживание клавиатуры при включенном питании.

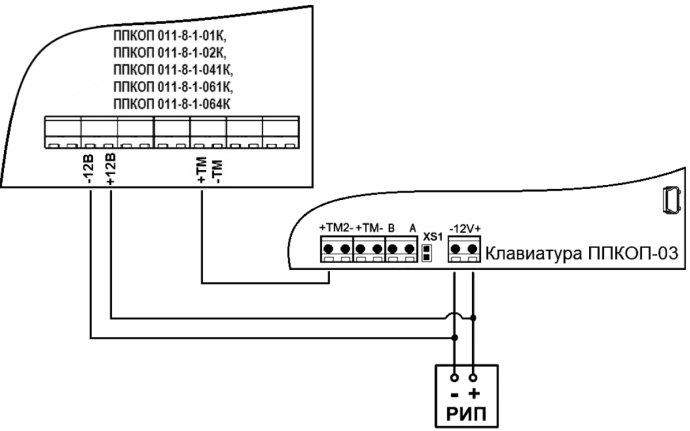
Схема подключения клавиатуры к прибору ППКОП-011 представлена на рисунке 9. Независимо от протяженности цепей питания клавиатуры, сечение проводников необходимо выбрать таким, чтобы напряжение на колодках питания клавиатуры было не менее 10,2 В.

Для использования ключей TM в режиме ШР необходимо подключить к клавиатуре выносной TM-считыватель согласно схеме подключения.

3.3 Установка для работы в режиме TM

Подключение клавиатуры к прибору ППКОП-011 осуществляется согласно схеме подключения (см. рисунок 9) и в следующем порядке:

  1. Вскрыть корпус.

  2. Открутить или вытащить из пазов с одной из сторон пару шарниров, удерживающих плату клавиатуры.

  3. Соблюдая полярность соединить кабелем колодки «+TM2-» клавиатуры с колодками «+TM» и «-TM» прибора из списка совместимых (см. п. 3 Эксплуатация клавиатуры). В случае использования общего источника питания клавиатуры и прибора достаточно соединить колодки «+TM» клавиатуры и прибора.

  4. Подключить кабель питания к колодкам «-12V+» клавиатуры.

  5. Подать питание на клавиатуру, дождаться её загрузки и подключения к прибору.

  6. Установив клавиатуру в исходное положение и закрыть корпус.

4 ЭКСПЛУАТАЦИЯ КЛАВИАТУРЫ

4.1 Порядок взятия/снятия ШС

  1. Перед взятием объекта под охрану необходимо осуществить его подготовку, а именно:

  • Убедиться в исправности связи с ПЦН по индикатору link1 («СВЯЗЬ»).

  • Подготовить помещение для взятия – закрыть все контролируемые окна и двери, убедиться в том, что в помещении никого нет.

Для взятия под охрану и снятия с охраны шлейфов охранно-пожарной сигнализации клавиатура обеспечивает четыре способа ввода кода идентификации ХО.

2.1 Ввод кода с помощью кнопок клавиатуры с указанием типа операции:

  • Нажмите «C».

  • Наберите с помощью кнопок «0»«9» не более 12 цифр кода идентификации.

  • в зависимости от типа операции (взять или снять) нажмите кнопку «armed» или «disarmed».

2.2 Ввод кода с помощью кнопок клавиатуры без указания типа операции:

  • Нажмите «C».

  • Наберите с помощью кнопок «0» – «9» не более 12 цифр кода идентификации.

  • Нажмите «*».

2.3 Ввод кода с помощью брелока или ключа TM (только в режиме ШР):

  • Нажмите «C».

  • Приложите бесконтактный брелок или ключ TM к считывателю.

2.4 Комбинированный ввод кода кнопками клавиатуры и брелоком или ключом TM (только в режиме ШР):

  • Нажмите «C».

  • Наберите с помощью кнопок «0»«9» не более 12 цифр кода идентификации.

  • Приложите бесконтактный брелок или ключ TM к считывателю.

Успешная передача кода идентификации прибору подтверждается звуковым сигналом. При ошибке ввода кода повторите ввод кода заново. Клавиатура блокирует ввод следующего кода на время обмена данными с ПЦН (2–5 секунд).

  1. Дождаться получения команды от ПЦН о начале выхода с объекта, после получения этой команды клавиатуры будет подавать звуковой сигнал три раза в секунду, световой индикатор ohrana2 «ОХРАНА» и выносной оповещатель будет мигать четыре раза в секунду.

  2. Покинуть объект и закрыть дверь.

  3. После взятия объекта под охрану выносной оповещатель «ОХРАНА» должен загореться непрерывно.

4.2 Частичное «взятие» / «снятие» ШС

Клавиатура обеспечивает возможность частичного взятия под охрану и снятия с охраны шлейфов охранно-пожарной сигнализации. Порядок действий:

− Нажмите «C». − Нажмите «armed» («Взять») / «disarmed» («Снять»). − Сформируйте список интересующих ШС путём исключения шлейфов, не подлежащих снятию / взятию или нажмите «*» (инверсия выбора), и включите в список выбранных необходимые. Выбор ШС формируется нажатием клавиш «0» - «9». Если номер ШС лежит в диапазоне 10 – 16, то интервал между нажатием двух кнопок не должен превышать 1,5 секунды. Для завершения операции взятия/снятия без кода идентификации приложите бесконтактный брелок или ключ TM к считывателю. − Для ввода кода идентификации нажмите «#», наберите не более 12 цифр секретного кода (при ошибке в наборе снова нажмите «#»). Для завершения операции взятия/снятия приложите бесконтактный брелок или ключ TM к считывателю или подтвердите нажатием клавиш «armed» или «disarmed» в зависимости от требуемого типа операции.

4.3 Порядок проверки работоспособности клавиатуры

После установки клавиатуры выполните следующие действия:

− Убедитесь в соответствии индикаторов клавиатуры состоянию прибора, согласно руководству по эксплуатации на используемый прибор. − Выполните взятие под охрану (см. п 3.1), убедитесь в правильном отображении индикаторами клавиатуры процесса взятия под охрану. − Убедитесь в соответствии индикаторов клавиатуры состоянию «ВЗЯТ ПОД ОХРАНУ» (в зависимости от режима работы, см. таблицу 2 или 18). − Выполните снятие прибора с охраны, убедитесь в соответствии индикаторов процессу снятия с охраны. − Убедитесь в соответствии индикаторов клавиатуры состоянию «СНЯТ С ОХРАНЫ» (в зависимости от режима работы, см. таблицу 2 или 18). − Спровоцируйте пробное срабатывание шлейфов охранной и пожарной сигнализации, убедитесь в правильности индикации.

4.4 Обновление программного обеспечения клавиатуры по USB

Для обновления ПО клавиатуры необходимо выполнить следующие действия:

  1. Запустить приложение Унипрог Приток-А» (файл UniProg.exe).

  2. Установить перемычку LOAD, подключить кабель miniUSB к ПК и клавиатуре, подать питание на клавиатуру.

  3. В программе выбрать команду «Прибор» → «Обновить прошивку», в появившемся окне выбрать из списка «Приток-А-КОП все модификации» и нажать «Подключиться».

  4. Выбрать файл с ПО клавиатуры (например, PPKOP-03-v14.dat) и нажать кнопку «Прошить».

  5. Дождаться успешного обновления ПО, выключить питание, убрать перемычку LOAD.

5 СЕРВИСНЫЙ РЕЖИМ

Сервисный режим – специализированный режим, предназначенный для первичного тестирования и настройки клавиатуры. Данный режим включает в себя:

  1. Тест индикации.

  2. Тест клавиш.

  3. Тест ТМ и NFC считывателей.

  4. Пункт выбора режима работы клавиатуры (см. 5.1 Выбор режима работы клавиатуры).

  5. Пункт сброса блокировочного ПИН-кода (доступен только при условии выбора пятого режима работы клавиатуры).

Для входа в сервисный режим необходимо:

  • Вскрыть корпус клавиатуры.

  • Последовательно нажмите «1», «2», «3», «4», «*».

Переход к каждому следующему пункту сервисного режима осуществляется с помощью нажатия клавиши «C» (соответственно выход из сервисного режима – пропустить все пункты последовательным нажатием «C»). Переход от пункта к пункту сопровождается двойным звуковым сигналом.

Тест индикации предназначен для проверки работоспособности светодиодов. При тестировании светодиоды клавиатуры работают в режиме так называемого «бегущего огня» в следующем порядке:

  • Зеленый: «bt» - «wifi» - «eth» - «akb» - «link1» - «sim» - «(SIM1/SIM2)» - «power» - «fire2» - «ohrana2»; «1» - «8», «9» - «16».

  • Красный: «bt» - «wifi» - «eth» - «akb» - «link1» - «sim» - «(SIM1/SIM2)» - «power» - «fire2» - «ohrana2»; «1» - «8», «9» - «16».

Процесс цикличен и прерывается пользователем клавишей «C».

Для тестирования клавиш необходимо последовательно нажать все 15 кнопок клавиатуры в следующем порядке: «1», «2», «3», «*», «armed», «4», «5», «6», «0», «disarmed», «7», «8», «9», «#», «C» (кнопки по очереди слева направо, начиная с верхнего ряда). Успешное завершение сопровождается двойным звуковым сигналом.

ТестТМ и NFC считывателей предназначен для проверки работоспособности считывателя ТМ-ключей и брелоков NFC. Для этого необходимо прислонить ключ TM или брелок к считывателю. Успешное завершение также сопровождается двойным звуковым сигналом.

5.1 Выбор режима работы клавиатуры

Клавиатура обеспечивает возможность работы с различными приборами приемно-контрольными охранно-пожарными Приток-А. В зависимости от вида прибора при подключении клавиатуры выбирается соответствующий режим работы с данным прибором (см. таблицу 23).

Таблица 23 – Индикация настройки способа связи с прибором

Режим

Серии приборов

Состояние индикаторов «1» - «8» / («1» - «16»)

«4»

Приборы серии ППКОП-011

«4» зеленый включен непрерывно

«5»

Приборы серии КОП

«5» зеленый включен непрерывно

Заводская настройка разрешает работу с серией приборов пятого режима. При использовании другой серии приборов необходимо настроить клавиатуру для работы в соответствующем режиме описанных далее способом:

  • Перейдите в сервисный режим (см. п. 5 СЕРВИСНЫЙ РЕЖИМ).

  • Находясь в сервисном режиме, пропустите тест индикации, тест кнопок и тест ТМ-считывателя (три раза нажмите клавишу «C»). Будет доступен пункт выбора режима работы клавиатуры.

  • Выберите необходимый режим работы клавиатуры нажатием соответствующей кнопки («4» или «5»).

  • Нажмите «C» для выхода из сервисного режима.

6 СХЕМЫ ПОДКЛЮЧЕНИЯ

../../_images/083.png

Рисунок 8 – Схема подключения клавиатуры к приборам серии Приток-А-КОП по ШР

  • XS1 – перемычка подключения терминального резистора на линию А-В RS-485.

  • XS2 («LOAD») – перемычка, используемая при обновлении ПО.

  • «+TM-» – колодка для подключения выносного TM-считывателя.

../../_images/092.png

Рисунок 9 – Схема подключения клавиатуры к приборам серии ППКОП-011 в режиме TM

  • «+TM2-» – колодка для подключения клавиатуры к совместимому прибору.